Model Rocket Launch Controller Handheld
by RWilkus in Circuits > Electronics
1058 Views, 6 Favorites, 0 Comments
Model Rocket Launch Controller Handheld
This is a handheld model rocket launch controller with 3D printed game controller like handles.
I designed it with through hole components so that younger scouts could solder it on their own.
Cost is about $15 per unit when made in sets of 10, shipping cost was a large factor.
All documentation is stored on Github at https://github.com/RWilkus/Launch-Controller-1
Go to link and download zip file with all design files.

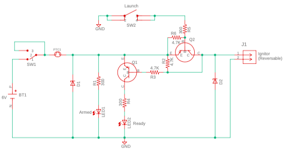
Circuit Design Background:

The design started after reading through this work by J.R. Brohm. In the end of his testing, he proposed a transistor based circuit to lower the amount of current required to do an ignitor continuity check. Since the transistor only needs a couple milliamps of base current to switch, it lowers the current being passed through the ignitor and therefor reducing the possibility of random ignitions. The first transistor, Q1, is the implementation of his purposed circuit.
The second transistor, Q2, is used as a high current switch since the launch button, SW2, can only handle 100 mA and the ignitor needs in excess of 1 amp to ignite. The launch button was selected mainly for its low cost and style.
Circuit protection is handled by two methods. Over current protection is handled by PTC1 which is a thermal fuse that will trip and protect the downstream circuitry. This could happen if the ignitor clips are touching when the launch button is pressed. This will reset if the arm switch is turned off. The second set of protection is formed by D1 and D2 which are transient voltage suppression(TVS) diodes that clamp higher voltage spikes from electrostatic discharge(ESD). I assumed this device will be handled by everyone and could have an increased risk of getting shocked. These diodes protect the transistors mainly because they are more prone to damage from high voltage transients.
Printed Circuit Board Layout:

Schematic capture and layout were done with Autodesk Eagle free version which allows for two layer boards. The entire bottom layer is a ground plane as seen by the dotted blue outline. The dotted red lines are oversized traces that will handle overcurrent events before the protection kicks in.
Simulation using LTSpice:

We found the Q1 base current was 1.2mA with a 4.7k resistor in series.

When the launch button is pressed, the voltage across the ignitor goes to near zero as the current increases to about 1.7A. This limitation is based on the series resistance of the batteries, printed circuit board, Q2, and the wire to the ignitor.
Supplies
- Soldering Iron
- Solder
- Wire cutters
- Screw Driver
- 3D printer
- PLA Filament
- (2) 4-40 1/8" Screw
- (2) Washers
Order Bill of Material
- Locate the BOM in the downloaded zip - Launch-Controller-1/LaunchController1 BOM.xlsx
- Go to https://www.digikey.com/ordering/shoppingcart?lang=en
- Click Upload a File

- Select the LaunchController1 BOM.xlsx file
- Verify parts are in stock and order!
The screws to hold the enclosure to the PCB are 4-40 x 1/8" and can be ordered through Digikey but are not on the BOM.
https://www.digikey.com/en/products/detail/essentra-components/NSS-4-2-01/393002
Order Printed Circuit Board
PCBway.com has been a cheap option to get multiple boards. It cost me $15 for 10 boards!
- Go to https://www.pcbway.com/QuickOrderOnline.aspx
- Click "Add Gerber File" - Select LaunchController1 Rev * Gerbers.zip from your downloaded design files

- 2 layer, 1.6mm thickness, FR-4 TG 150-160 material, 1oz Cu, Black soldermask, White silkscreen, HASL with Lead surface finish (Refer to attached photo)

- Adjust board quantity to find maximum boards per price. 10 boards was the same price as 1 when I ordered.
* - Current revision
Soldering Time
Assemble and solder in order:
R1-R6:
(R1,R4,R5) 300 Ohm: Orange, Black, Brown, Gold
(R2,R3,R6) 4.7k Ohm: Yellow, Purple, Red, Gold
D1/D2: Bidirectional so orientation doesn't matter
PTC1: Bidirectional so orientation doesn't matter
LED1/LED2: LED1= Red, LED2=Green. Long lead goes into the positive symbol(+)
Q1/Q2: Bend outside leads to match hole spacing. Verify larger flat side matches flat silkscreen.
J1: Orient connector to edge of board
SW1: Orientation doesn't matter.
SW2: Make sure SW2 flat side matches silkscreen
BT1: Use double sided tape or super glue to secure to board. Solder leads from the top side.
Cutoff excess component leads
3D Printing
I have a JGMaker printer using Cura and 1.75mm PLA. Feel free to experiment with other settings per your printer.
Locate the print file: Launch-Controller-1/Enclosure/Launch Controller 1 Rev *.stl in your downloaded design files
Upload to your slicing software
Typical Settings:
- Resolution: 0.2mm
- Infill: 20%
- Filament: 1.75mm
- Supports: Yes
- Rafts: Yes
Slice and print!
Remove supports and raft. There currently is a ledge that the bottom part of the PCB inserts into on the 3d print. You may need to use a knife to remove the support material from that area.
* - Current revision
Create Cable and Ignition Clips
I used twisted pair solid core wire(26 AWG) I had laying around but you can use anything.
- Cut about 10-15 ft of two pair cable
- Strip back shield on both ends
- Strip 1/4" on each conductor
- Place conductor into alligator clip and crimp clip onto conductor
- Solder conductor to the metal of the alligator clip
- Repeat for other alligator clip
- On the other end of the cable, I used wire crimp connectors but they could just be bare.
- Wire to J1 of the printed circuit board terminal block.
Final Assembly
I used 4-40 1/8" screws with washers to hold the PCB into the 3d print. I only used the top holes on the PCB.
https://www.digikey.com/en/products/detail/essentra-components/NSS-4-2-01/393002
Insert the bottom of the PCB into the 3d print first and then attach the screws.
Insert (4) AA batteries in the proper orientation.
Launch Away
Connect the alligator clips to you engine ignitor
Move to a safe distance
Press the Arm switch to the up position - Red Arm light should turn on
The Green light should be on if the ignitor is hooked up and ready to launch
Count down to launch and press the red launch button!
Have Fun!